Shrnutí produktu
| Solární čerpadlo VFD řady RVE35 | | |
| | DC/AC VSTUP | |
| | Rafinovaný design | |
| | MPPT | |
| Parametrické | ||
| Model | RVE35-T3-0R7GB ~ RVE35-T3-4GB |
| Napětí | Vstup 350VDC až 800/900VDC, 3 PH Vstup 380VAC až 440VAC | |
| Jmenovitý P (kW) | 0,75/1,5/2,2/4 | |
| Jmenovitý proud (A) | 2,5/3,7/5/10/13 | |
| MPPT Vmp/Voc | 540/660 | |
| Rozměry (mm) | 187*86*152 | |
Pozadí aplikací
| V posledních letech, s narůstající závažností globálního „potravinového problému“ a „energetického problému“, byla solární vodní čerpadla postupně oslavována jako efektivní produkty průmyslové integrace, které řeší problém zvyšování produkce efektivně obdělávané půdy a nahrazování fosilní energie čistou energií. V důsledku toho se zrodil vznikající ekonomický model, ve kterém se solární průmysl rozvíjel v kombinaci s tradičními průmyslovými odvětvími, jako je ochrana vody v zemědělství, kontrola pouště, domácí spotřeba vody a městská vodní krajina. |
Vlastnosti produktu
• Sledování maximálního výkonu (MPPT) s rychlou odezvou a stabilním provozem
• Ochrana proti chodu nasucho (při zatížení).
• Maximální proudová ochrana motoru
• Ochrana vstupního napájení
• Ochrana nízké frekvence zastavení
• Výkonová křivka PQ (výkon/průtok) umožňuje vypočítat výstupní průtok z čerpadla
• Digitální ovládání pro plně automatický provoz, ukládání dat a ochranné funkce
• Inteligentní napájecí modul (IPM) pro hlavní obvod
• Ovládací panel s LED displejem a podpora dálkového ovládání
• Je k dispozici duální režim napájení střídavým a stejnosměrným proudem
• Snímač nízké hladiny vody a funkce ovládání hladiny vody
• Okolní teplota pro použití: -10 až 50˚C.
| Rafinovaný design Instalační plocha zmenšena o 50 % Objem snížen o 30 % | |
| | Plně automatický stroj na třívrstvé lakování se používá k zesílení ochranné vrstvy desky plošných spojů, čímž se účinně brání poškození desky plošných spojů větrným prachem, korozivním plynem a vlhkým vzduchem. |
| | Přijměte plně automatické detekční zařízení pro testování různých elektrických indikátorů a ochranných funkcí produktů při jmenovité zátěži. |
| | Všechny hotové výrobky stárnou pod zatížením po dobu 48 hodin při vysoké teplotě 60 stupňů a poté jsou všechny elektrické indikátory testovány pod zatížením, aby se snížila poruchovost výrobku. |
Modelová nomenklatura
Obecný typ řady S2:
Vmp 310VDC nebo 220VAC vstup, 1/3fázový 0-220VAC výstup
| Model | Jmenovitý proud (A) | Výstupní napětí ( VAC ) | Platí pro výkonové (kW) čerpadlo | Externí velikost disku V*Š*H (mm) | MPPT Vmp/Voc |
| RVE35-S2-0R7G | 4 | 0-220 | 0.75 | 187*86*152 | 310/372 |
| RVE35-S2-1R5G | 7 | 0-220 | 1.5 | ||
| RVE35-S2-2R2G | 10 | 0-220 | 2.2 | ||
| RVE35-S2-3G | 13 | 0-220 | 3 | 265*105*164 | |
| RVE35-S2-4G | 16 | 0-220 | 4 |
Obecný typ řady T3:
Vstup Vmp540 až 650VDC nebo 380 až 460VAC, 3fázový výstup 0-380/460VAC
| Model | Jmenovitý proud (A) | Výstupní napětí ( VAC ) | Platí pro výkonové (kW) čerpadlo | Externí velikost disku V*Š*H (mm) | MPPT Vmp/Voc |
| RVE35-T3-0R7GB | 2,5/3,7 | 0-380/440 | 0.75 | 187*86*152 | 540/660 |
| RVE35-T3-1R5GB | 3,7/5 | 0-380/440 | 1.5 | ||
| RVE35-T3-2R2GB | 5/10 | 0-380/440 | 2.2 | ||
| RVE35-T3-4GB | 10/13 | 0-380/440 | 4.0 | ||
| RVE35-T3-5R5GB | 13/16 | 0-380/440 | 5.5 | 265*105*164 | |
| RVE35-T3-7R5GB (plastové pouzdro) | 16/25 | 0-380/440 | 7.5 | ||
| RVE35-T3-7R5GB (železné pouzdro) | 16/25 | 0-380/440 | 7.5 | 333*150*216 | |
| RVE35-T3-11GB | 25/32 | 0-380/440 | 11 | ||
| RVE35-T3-15GB | 32/38 | 0-380/440 | 15 | ||
| RVE35-T3-18GB | 38/45 | 0-380/440 | 18 | 383*180*228 | |
| RVE35-T3-22GB | 45/60 | 0-380/440 | 22 | ||
| RVE35-T3-30GB | 60/75 | 0-380/440 | 30 | 435*175*265 | |
| RVE35-T3-37GB | 75/90 | 0-380/440 | 37 | ||
| RVE35-T3-45G | 90/110 | 0-380/440 | 45 | 670*265*358 | |
| RVE35-T3-55G | 110/150 | 0-380/440 | 55 | ||
| RVE35-T3-75G | 150/170 | 0-380/440 | 75 | ||
| RVE35-T3-90G | 170/210 | 0-380/440 | 90 | 845*305*358 | |
| RVE35-T3-110G | 210A/250 | 0-380/440 | 110 | ||
| RVE35-T3-132G | 250A/300 | 0-380/440 | 132 | ||
| RVE35-T3-160G | 300A/340 | 0-380/440 | 160 | 788*500*360 | |
| RVE35-T3-185G | 340/380 | 0-380/440 | 185 | ||
| RVE35-T3-200G | 380/415 | 0-380/440 | 200 | 900*540*358 | |
| RVE35-T3-220G | 415/470 | 0-380/440 | 220 | ||
| RVE35-T3-250G | 470/520 | 0-380/440 | 250 | ||
| RVE35-T3-280G | 520/600 | 0-380/440 | 280 | 1035*620*400 | |
| RVE35-T3-315G | 600/680 | 0-380/440 | 315 | ||
| RVE35-T3-355G | 680/750 | 0-380/440 | 355 | 1290*780*410 | |
| RVE35-T3-400G | 750/810 | 0-380/440 | 400 |
Vynikající výkon
| | Vysoce výkonné vektorové ovládání ke zlepšení přesnosti zařízení |
| Maximální výstupní frekvence pod vektorovým řízením dosahuje 1500 Hz, což umožňuje dosáhnout vysoce přesného výstupu rychlosti v 10násobně slabém rozsahu regulace magnetické rychlosti. | |
| | |
| | Perfektní pohon pro synchronní motory |
| Aktuální průběh synchronního motoru v režimu vektorového řízení s otevřenou smyčkou při 500 Hz se 100 % jmenovité zátěže. | |
| | |
| | Spolehlivý design odvodu tepla |
| Nezávislá technologie konstrukce dvojitého vzduchového kanálu může realizovat použití pohonu solárního čerpadla s teplotou prstence 50 ℃ bez snížení kapacity. |
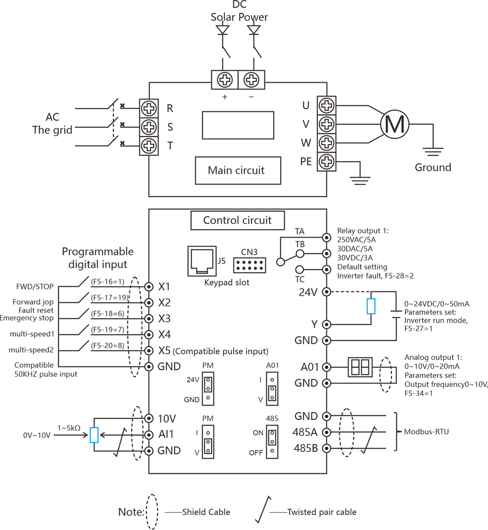
Schéma zapojení
U produktů RVE35 0,75kw-7,5kw mějte na paměti následující:
1. Výrobek neobsahuje logické vstupní svorky X6 a X7;
2. Produkt obsahuje pouze 1 analogový vstup, 1 analogový výstup a 1 reléový výstup











































